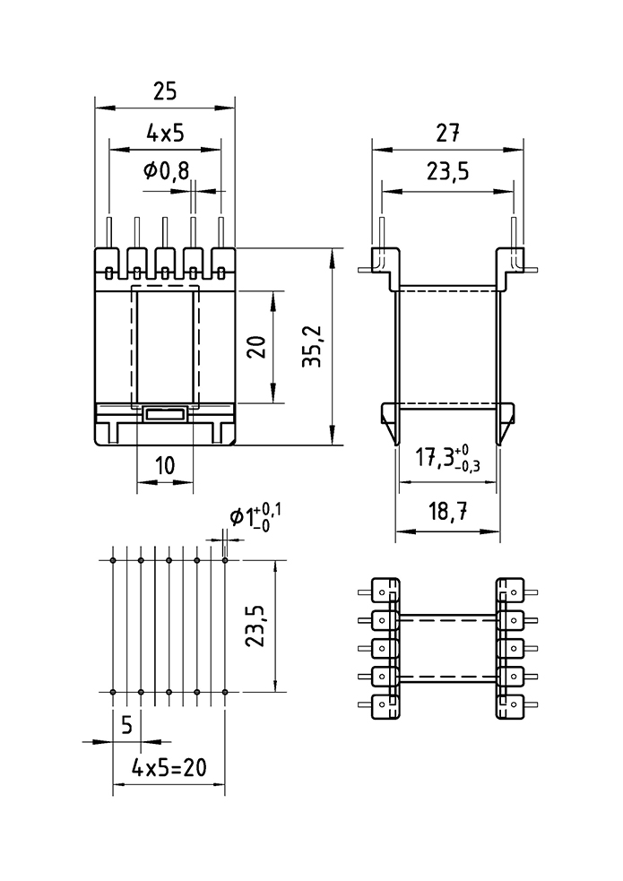
EI 37x20(10x20) c/pines
COD: 015080
El carrete, es fabricado con Poliamida 66 reforzado con fibra de vidrio (PRYDE 015080). Otros materiales ó según diseños especiales pueden fabricarse a pedido.
Los carretes con pines permiten su conexión a placas de circuitos impresos (PCB). Material pines: Alambre de aleación CuSn6 (Den. según CDA UNS 519) y recubierto superficialmente con Estaño Sn100.
Las medidas están expresadas en mm.
Ver Diagrama| Variantes de este producto | Cod. |
|---|---|
| Producto sin variantes | - |
Tabla de Cálculos por Kilo para Núcleos de Ac Si GNO.
Espesor 0,5 mm | Esmaltado en ambas caras.
|
Medida carrete |
Peso de Núcleo en Kgs |
| 20 | 0,107 |
Accesorios acordes al presente artículo
| Altura Área Bobinado [mm] |
Cinta de Poliéster |
Cinta de Papel |
| 17,7 | 418096 | 418092 |
Tipos de Embalajes Aptos para Transporte s/Normas
| Caja P81 [AxBxH] 50x35x35 cms Vol: 0,061 m3 |
Caja P82 [AxBxH] 34x31x23 cms Vol: 0,024 m3 |
Caja P83 [AxBxH] 36x27x10 cms Vol: 0,01 m3 |
Bolsa Medida variable |
Cantidad [unidades] |
Peso Neto [Kg] |
Peso Bruto [Kg] |
| X | 200 | 0,935 | 1,17 |




Whatsapp: +54 11 3065 5393

