EI 37x13 (10x13)

COD: 204010

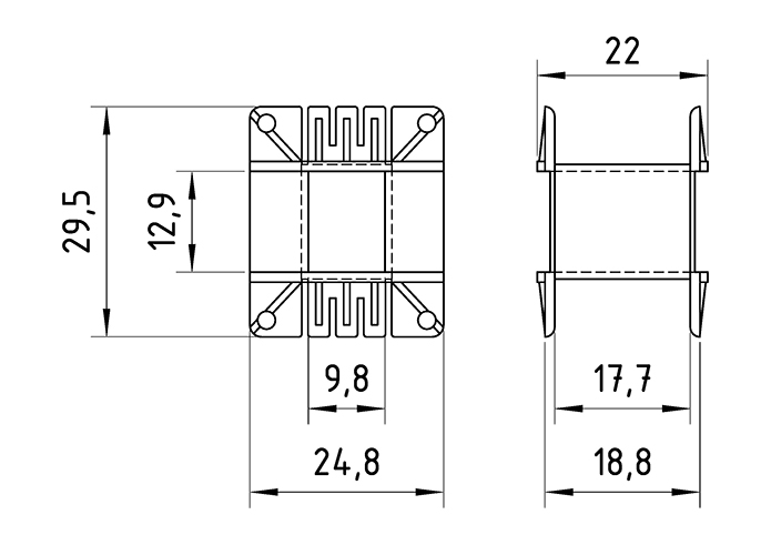
El carrete, según las condiciones de trabajo, puede ser fabricado en Polipropileno reforzado con carga mineral (PRYDE 204010) ó con Poliamida 66 reforzada con fibre de vidrio (PRYDE 204081). Otros materiales ó según diseños especiales pueden fabricarse a pedido. Las medidas están expresadas en mm.

Ver Diagrama
Variantes de este producto Cod.
Material: Poliamida 66 + FV 204081


204010

Tabla de Cálculos por Kilo para Núcleos de Ac Si GNO.
Espesor 0,5 mm | Esmaltado en ambas caras.

Medida carrete
[mm] 

Peso de Núcleo en Kgs
12,9 0,069

 

 

 

 

 

Accesorios acordes al presente artículo

Altura Área Bobinado 
[mm]

Cinta de Poliéster

Cinta de Papel
17,7 418096 418092

 

 

 

 

Tipos de Embalajes Aptos para Transporte s/Normas

Caja P81
[AxBxH]         
50x35x35 cms
Vol: 0,061 m3
Caja P82   
[AxBxH]        
34x31x23 cms
Vol: 0,024 m3
Caja P83
[AxBxH]        
36x27x10 cms
Vol: 0,01 m3
Bolsa
 Medida 
 variable
 
Cantidad
 [unidades
] 
 
Peso
Neto
[Kg]
 
Peso
 Bruto
[Kg] 


X   450 1,08 1,35

 

 

 

 


Pryde SRL
Echeverría 330 (B1875ENH) Wilde
Buenos Aires - Argentina
Tel: (+5411) 4207 5155
info ( @ ) pryde.com.ar
Whatsapp Whatsapp: +54 11 3065 5393
  •  


APyMEP
Data Fiscal