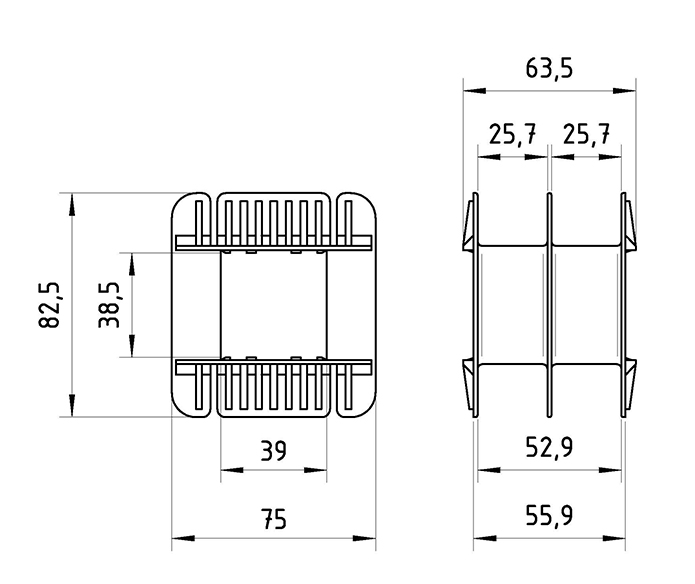
EI 155x38(38x38) C/Sep 50/50%
El carrete se fabrica con Poliamida 66 reforzada con fibra de vidrio (PRYDE 144981). Otros materiales ó según diseños especiales pueden fabricarse a pedido.
Las medidas están expresadas en mm.
| Variantes de este producto | Cod. |
|---|
Tabla de Cálculos por Kilo para Núcleos de Ac Si GNO.
Espesor : 0,5 mm // Esmaltado en ambas caras.
Medida Carrete [mm] Peso Núcleo [kg] 38,5 2,52
Accesorios acordes al presente artículo
Altura bobinado [mm] Cinta Poliester Cinta Papel 26 426092 426096 26 426092 426096 Long. Tornillo L [mm] Ø tornillo Código Tornillo 51 W5/32" 603062 Ø Buje Código Buje W5/32" 343021
Tipos de Embalajes Aptos para Transporte s/Normas
Caja P81 Caja P82 Caja P83 Bolsa Medida Variable Cant. [un] Peso Neto [kg] Peso Bruto [kg] X 200 10,2 10,82
[AxBxH]
50x35x35 cm
Vol.: 0,061 m3
[AxBxH]
34x31x23 cm
Vol.: 0,024 m3
[AxBxH]
36x27x10 cm
Vol.: 0,01 m3




Whatsapp: +54 11 3065 5393

