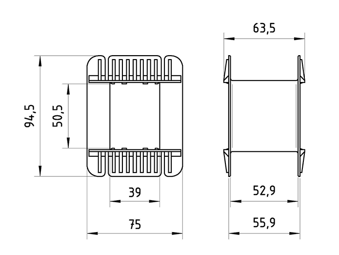
EI 155x50(38x50)
El carrete se fabrica con Poliamida 66 reforzada con fibra de vidrio (PRYDE 208081). Otros materiales ó según diseños especiales pueden fabricarse a pedido.
Las medidas están expresadas en mm.
| Variantes de este producto | Cod. |
|---|
Tabla de Cálculos por Kilo para Núcleos de Ac Si GNO.
Espesor : 0,5 mm // Esmaltado en ambas caras.
Medida Carrete [mm] Peso Núcleo [kg] 50,5 3,3
Accesorios acordes al presente artículo
Altura bobinado [mm] Cinta Poliester Cinta Papel 52,9 444092 436096 Long. Tornillo L [mm] Ø tornillo Código Tornillo 63 W5/32" 605062 Ø Buje Código Buje W5/32" 343021
|
Caja P81 |
Caja P82 |
Caja P83 |
Bolsa Medida Variable |
Cant. [un] |
Peso Neto [kg] |
Peso Bruto [kg] |
|
X |
|
|
|
160 |
7,52 |
8,14 |




Whatsapp: +54 11 3065 5393

