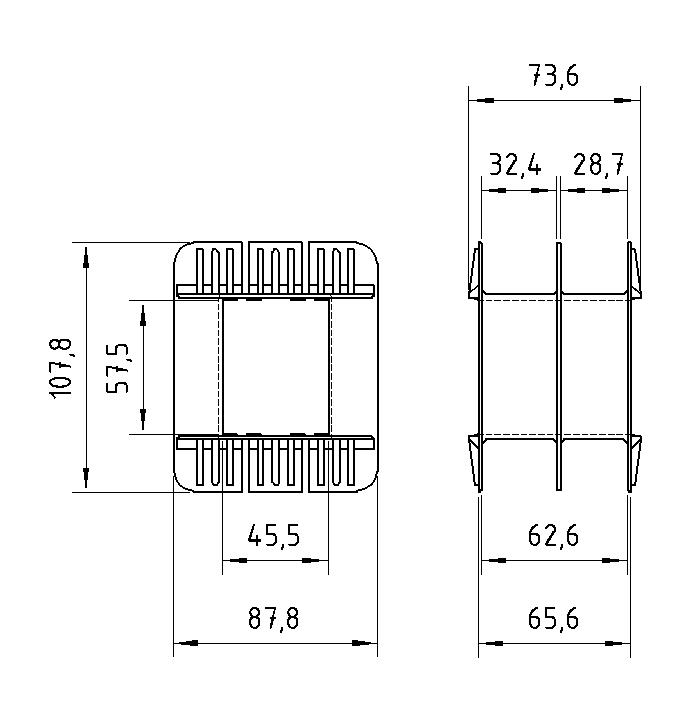
EI 175x57(45x57) C/Sep 53/47%
COD: 331181
El carrete, es fabricado en Poliamida 66 reforzado con fibra de vidrio (PRYDE 331181). Otros materiales ó según diseños especiales pueden fabricarse a pedido.
Las medidas están expresadas en mm.
| Variantes de este producto | Cod. |
|---|---|
| Producto sin variantes | - |
Tabla de Cálculos por Kilo para Núcleos de Ac Si GNO.
Espesor 0,5 mm | Esmaltado en ambas caras.
|
Medida carrete |
Peso de Núcleo en Kgs |
| 57,5 | 5,144 |
Accesorios acordes al presente artículo
| Altura Área Bobinado [mm] |
Cinta |
Cinta de Papel |
Tornillo L [mm] |
Tornillo Ø 01 |
Tornillo Código 01 |
Tornillo Ø 02 |
Tornillo Código 02 |
| 32,4 | 433096 | 436092 | 70 | W5/32" | 606062 | W3/16" | 621062 |
| 28,7 | 431096 | 436092 |
| Buje 01 Ø |
Buje |
Buje 02 Ø |
Buje 02 Código |
| W5/32" | 343021 | W3/16" | 344021 |
Tipos de Embalajes Aptos para Transporte s/Normas
| Caja P81 [AxBxH] 50x35x35 cms Vol: 0,061 m3 |
Caja P82 [AxBxH] 34x31x23 cms Vol: 0,024 m3 |
Caja P83 [AxBxH] 36x27x10 cms Vol: 0,01 m3 |
Bolsa Medida variable |
Cantidad [unidades] |
Peso Neto [Kg] |
Peso Bruto [Kg] |
| X | 80 | 5,95 | 6,57 |




Whatsapp: +54 11 3065 5393

