EI 500x64(64x64) C/Sep 30/70%
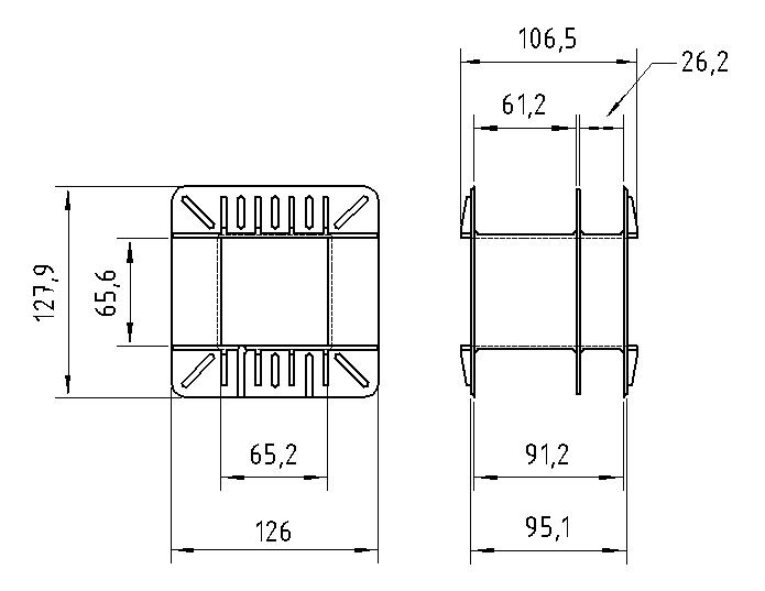
COD: 254X81
El carrete, según las condiciones de trabajo, puede ser fabricado en Polipropileno reforzado con carga mineral (PRYDE 254X10) ó con Poliamida 66 reforzada con fibra de vidrio (PRYDE 254X81). Otros materiales ó según diseños especiales pueden fabricarse a pedido.
Las medidas están expresadas en mm.
| Variantes de este producto | Cod. |
|---|---|
| Material: PP + Carga mineral | 254X10 |
Tabla de Cálculos por Kilo para Núcleos de Ac Si GNO.
Espesor 0,5 mm | Esmaltado en ambas caras.
|
Medida carrete |
Peso de Núcleo en Kgs |
| 65,6 | 12,232 |
Accesorios acordes al presente artículo
| Altura Área Bobinado [mm] |
Cinta |
Cinta de Papel |
Tornillo L [mm] |
Tornillo Ø 01 |
Tornillo Código 01 |
| 61,2 | 453096 | 472092 | 76 | W5/32" | 607062 |
| 26,2 | 431096 | 436092 |
| Buje 01 |
Buje |
Buje 02 |
Buje 02 |
Buje 03 |
Buje 03 |
| W5/32" | 343021 | W3/16" | 344021 | W1/4" | 345021 |
Tipos de Embalajes Aptos para Transporte s/Normas
| Caja P81 [AxBxH] 50x35x35 cms Vol: 0,061 m3 |
Caja P82 [AxBxH] 34x31x23 cms Vol: 0,024 m3 |
Caja P83 [AxBxH] 36x27x10 cms Vol: 0,01 m3 |
Bolsa Medida variable |
Cantidad [unidades] |
Peso Neto [Kg] |
Peso Bruto [Kg] |
| X | 36 | 6,266 | 6,886 |




Whatsapp: +54 11 3065 5393

