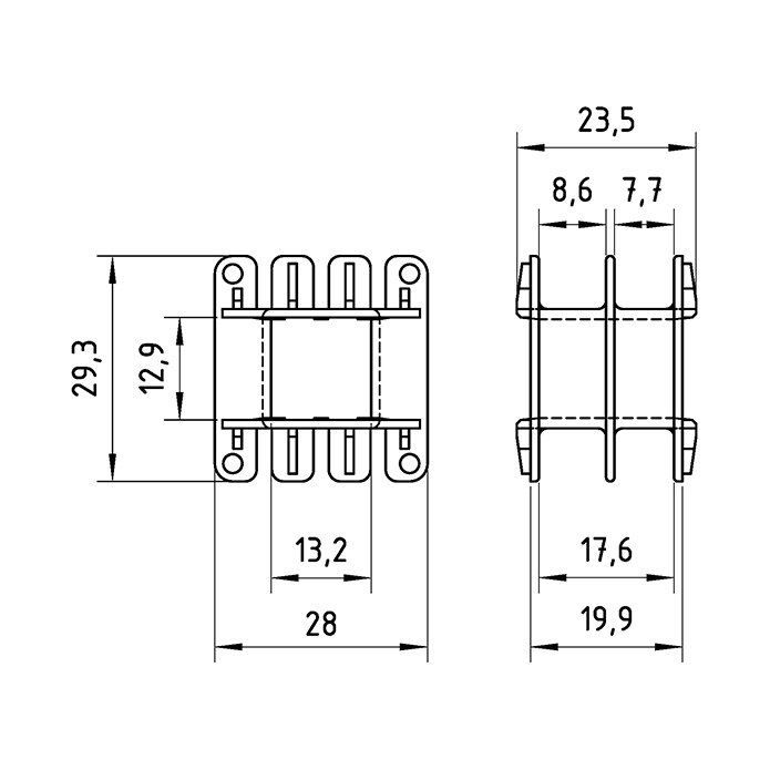
EI 25x12,5(12,5x12,5) Sep. 53/47% Esp.
COD: E141110
El carrete, es fabricado en Polipropileno reforzado con carga mineral (PRYDE E141110). Otros materiales ó según diseños especiales pueden fabricarse a pedido.
Las medidas están expresadas en mm.
| Variantes de este producto | Cod. |
|---|---|
| Producto sin variantes | - |
Tabla de Cálculos por Kilo para Núcleos de Ac Si GNO.
Espesor 0,5 mm | Esmaltado en ambas caras.
|
Medida carrete |
Peso de Núcleo en Kgs |
| 12,9 | 0,115 |
Accesorios acordes al presente artículo
| Altura Área Bobinado [mm] |
Cinta de Poliéster |
Cinta de Papel |
| 8,6 | 409096 | 409092 |
| 7,7 | 408096 | 409092 |




Whatsapp: +54 11 3065 5393

