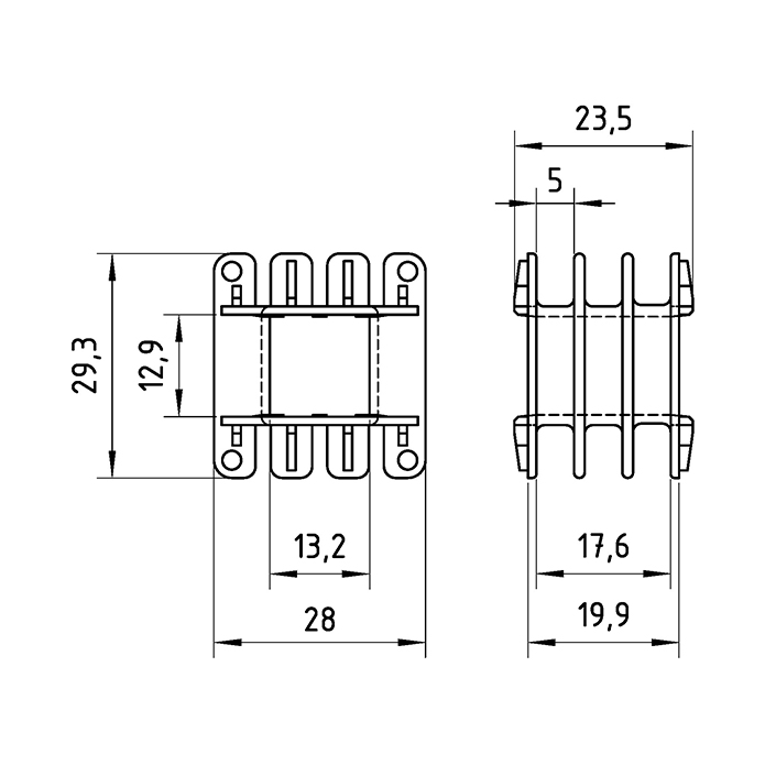
EI 25x12,5(12,5X12,5) 2 sep. Especial
COD: E141281
El carrete, según las condiciones de trabajo, puede ser fabricado en Poliamida reforzada con fibra de vidrio (PRYDE E141281) o con Polipropileno reforzado con carga mineral (PRYDE E141210) . Otros materiales ó según diseños especiales pueden fabricarse a pedido.
Las medidas están expresadas en mm.
Ver Diagrama| Variantes de este producto | Cod. |
|---|---|
| Material: NUMA | E141210 |
Tabla de Cálculos por Kilo para Núcleos de Ac Si GNO.
Espesor 0,5 mm | Esmaltado en ambas caras.
|
Medida carrete |
Peso de Núcleo en Kgs |
| 12,9 | 0,114 |
Tipos de Embalajes Aptos para Transporte s/Normas
| Caja P81 [AxBxH] 50x35x35 cms Vol: 0,061 m3 |
Caja P82 [AxBxH] 34x31x23 cms Vol: 0,024 m3 |
Caja P83 [AxBxH] 36x27x10 cms Vol: 0,01 m3 |
Bolsa Medida variable |
Cantidad [unidades] |
Peso Neto [Kg] |
Peso Bruto [Kg] |
| X | 2200 | 12,53 | 13,15 |




Whatsapp: +54 11 3065 5393

