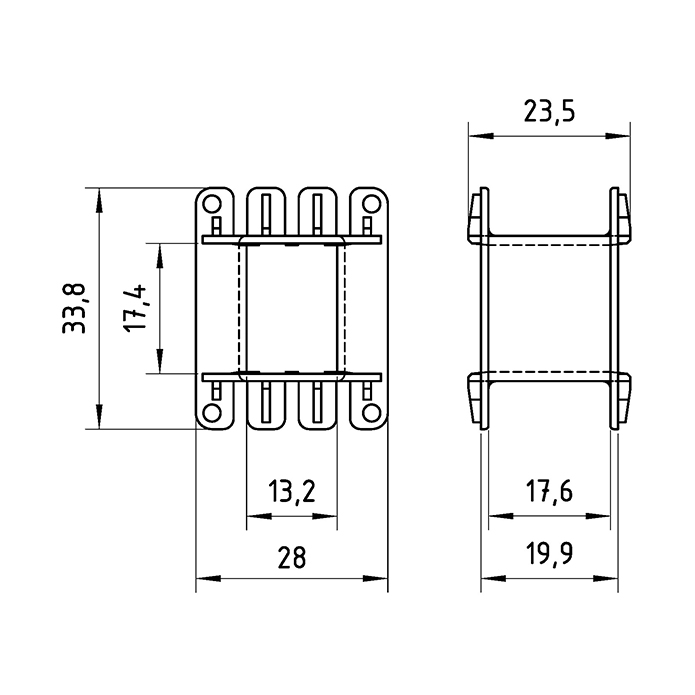
EI 25x17(12,5x17)
COD: 142010
El carrete, es fabricado en Polipropileno reforzado con carga mineral (PRYDE 142010). Otros materiales ó según diseños especiales pueden fabricarse a pedido.
Las medidas están expresadas en mm.
Ver Diagrama| Variantes de este producto | Cod. |
|---|---|
| Producto sin variantes | - |
Tabla de Cálculos por Kilo para Núcleos de Ac Si GNO.
Espesor 0,5 mm | Esmaltado en ambas caras.
|
Medida carrete |
Peso de Núcleo en Kgs |
| 17,4 | 0,154 |
Accesorios acordes al presente artículo
| Altura Área Bobinado [mm] |
Cinta de Poliéster |
Cinta de Papel |
| 17,6 | 418096 | 418092 |
Tipos de Embalajes Aptos para Transporte s/Normas
| Caja P81 [AxBxH] 50x35x35 cms Vol: 0,061 m3 |
Caja P82 [AxBxH] 34x31x23 cms Vol: 0,024 m3 |
Caja P83 [AxBxH] 36x27x10 cms Vol: 0,01 m3 |
Bolsa Medida variable |
Cantidad [unidades] |
Peso Neto [Kg] |
Peso Bruto [Kg] |
| X | 750 | 2,48 | 2,83 |




Whatsapp: +54 11 3065 5393

