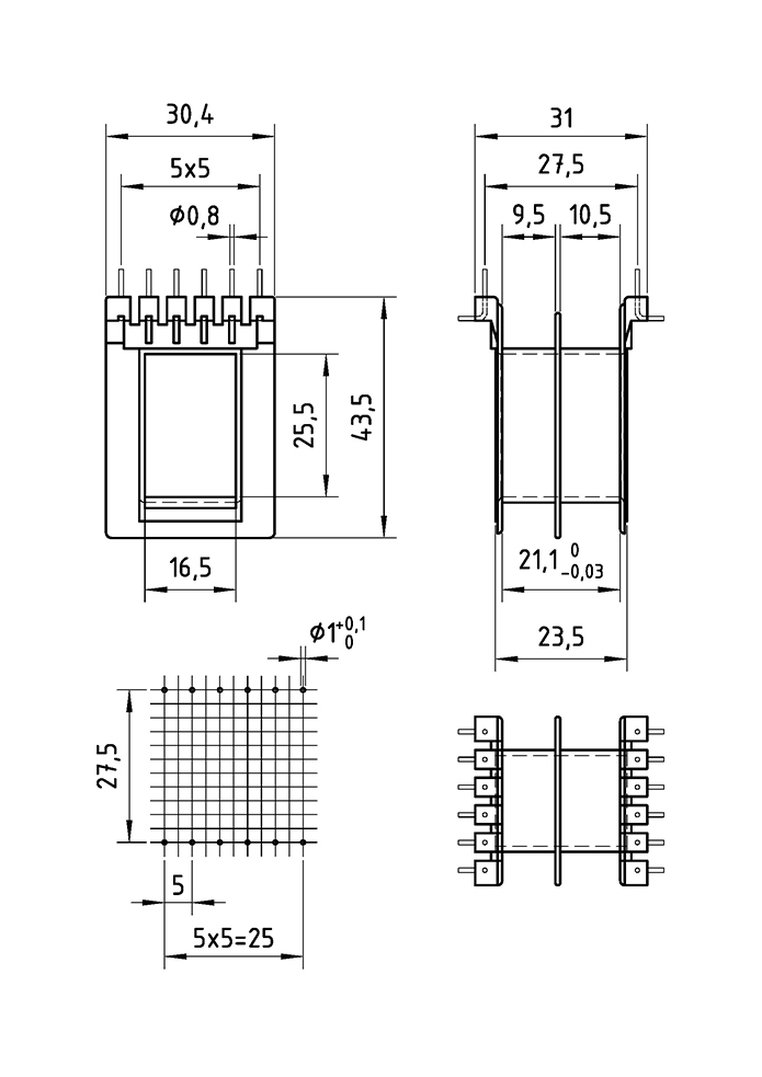
EI 62x25(16x25) C/Sep. 53/47% c/pines
COD: 007180
El carrete, es fabricado con Poliamida 66 reforzado con fibra de vidrio (PRYDE 007180). Otros materiales ó según diseños especiales pueden fabricarse a pedido.
Los carretes con pines permiten su conexión a placas de circuitos impresos (PCB). Material pines: Alambre de aleación CuSn6 (Den. según CDA UNS 519) y recubierto superficialmente con Estaño Sn100.
Las medidas están expresadas en mm.
Ver Diagrama| Variantes de este producto | Cod. |
|---|---|
| Producto sin variantes | - |
Tabla de Cálculos por Kilo para Núcleos de Ac Si GNO.
Espesor 0,5 mm | Esmaltado en ambas caras.
|
Medida carrete |
Peso de Núcleo en Kgs |
| 25,5 | 0,299 |
Accesorios acordes al presente artículo
| Altura Área Bobinado [mm] |
Cinta de Poliéster |
Cinta de Papel |
| 10,5 | 412096 | 411092 |
| 9,5 | 410096 | 410092 |
Tipos de Embalajes Aptos para Transporte s/Normas
| Caja P81 [AxBxH] 50x35x35 cms Vol: 0,061 m3 |
Caja P82 [AxBxH] 34x31x23 cms Vol: 0,024 m3 |
Caja P83 [AxBxH] 36x27x10 cms Vol: 0,01 m3 |
Bolsa Medida variable |
Cantidad [unidades] |
Peso Neto [Kg] |
Peso Bruto [Kg] |
| X | 350 | 2,29 | 2,646 |




Whatsapp: +54 11 3065 5393

