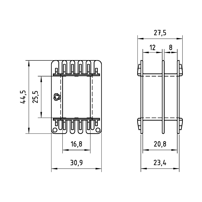
EI 62x25(16x25) C/Sep 60/40%
COD: 107Z81
El carrete, es fabricado en Poliamida 66 reforzado con fibra de vidrio (PRYDE 107Z81). Otros materiales ó según diseños especiales pueden fabricarse a pedido.
Las medidas están expresadas en mm.
| Variantes de este producto | Cod. |
|---|---|
| Producto sin variantes | - |
Tabla de Cálculos por Kilo para Núcleos de Ac Si GNO.
Espesor 0,5 mm | Esmaltado en ambas caras.
|
Medida carrete |
Peso de Núcleo en Kgs |
| 25,5 | 0,3 |
Accesorios acordes al presente artículo
| Altura Área Bobinado [mm] |
Cinta de Poliéster |
Cinta de Papel |
| 12 | 415096 | 415092 |
| 8 | 409096 | 409092 |




Whatsapp: +54 11 3065 5393

