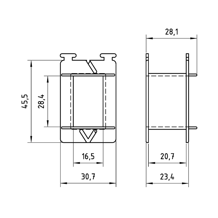
EI 62x28(16x28)
COD: 137010
El carrete, es fabricado en Polipropileno reforzado con carga mineral (PRYDE 137010). Otros materiales ó según diseños especiales pueden fabricarse a pedido.
Las medidas están expresadas en mm.
| Variantes de este producto | Cod. |
|---|---|
| Producto sin variantes | - |
Tabla de Cálculos por Kilo para Núcleos de Ac Si GNO.
Espesor 0,5 mm | Esmaltado en ambas caras.
|
Medida carrete |
Peso de Núcleo en Kgs |
| 28,4 | 0,334 |
Accesorios acordes al presente artículo
| Altura Área Bobinado [mm] |
Cinta de Poliéster |
Cinta de Papel |
| 20,7 | 421096 | 421092 |




Whatsapp: +54 11 3065 5393

