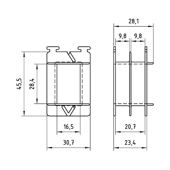
EI 62x28(16x28) C/Sep 50/50%
COD: 137910
El carrete, según las condiciones de trabajo, puede ser fabricado en Polipropileno reforzado con carga mineral (PRYDE 137910) ó con Poliamida 66 reforzada con fibra de vidrio (PRYDE 137981). Otros materiales ó según diseños especiales pueden fabricarse a pedido.
Las medidas están expresadas en mm.
| Variantes de este producto | Cod. |
|---|---|
| Material: Poliamida 6.6. + FV | 137981 |
Tabla de Cálculos por Kilo para Núcleos de Ac Si GNO.
Espesor 0,5 mm | Esmaltado en ambas caras.
|
Medida carrete |
Peso de Núcleo en Kgs |
| 28,4 |
0,334 |
Accesorios acordes al presente artículo
| Altura Área Bobinado [mm] |
Cinta de Poliéster |
Cinta de Papel |
| 9,8 | 410096 | 410092 |
| 9,8 | 410096 | 410092 |




Whatsapp: +54 11 3065 5393

