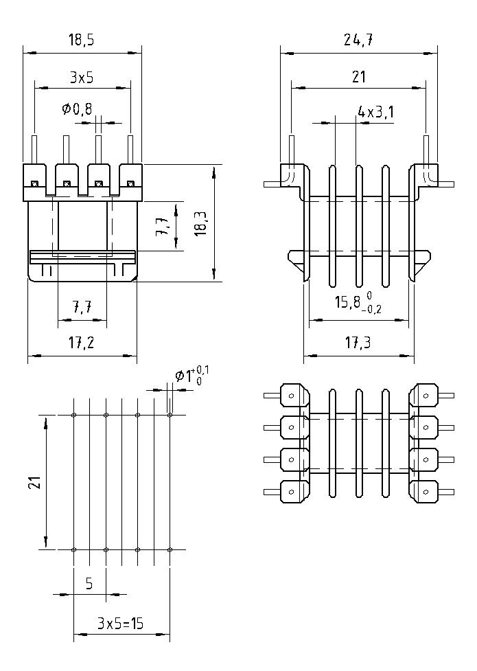
p/ Ferrite E25/13/7 3 Sep. 4x25% c/pines

COD: 002380

El carrete, es fabricado con Poliamida 66 reforzado con fibra de vidrio (PRYDE 002380).

Otros materiales ó según diseños especiales pueden fabricarse a pedido.

Los carretes con pines permiten su conexión a placas de circuitos impresos (PCB).

Material Pines : Alambre de aleación CuSn6 ( Den. según CDA UNS 519 ), y recubierto superficialmente con Estaño Sn100.

Las medidas están expresadas en mm.

Ver Diagrama
Variantes de este producto Cod.
Producto sin variantes -



Pryde SRL
Echeverría 330 (B1875ENH) Wilde
Buenos Aires - Argentina
Tel: (+5411) 4207 5155
info ( @ ) pryde.com.ar
Whatsapp Whatsapp: +54 11 3065 5393
  •  


APyMEP
Data Fiscal