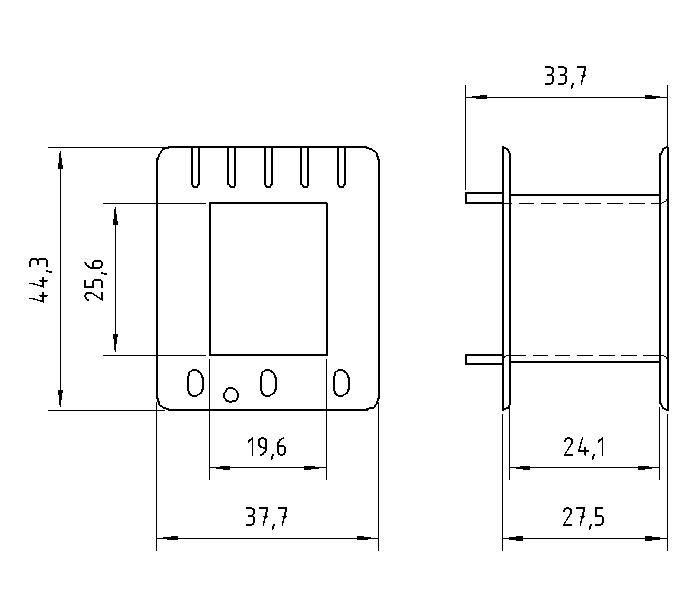
EI 75x25(19x25) C/Suj.Ch.
COD: 238000
El carrete, es fabricado en Polipropileno (PRYDE 238000).
Otros materiales ó según diseños especiales pueden fabricarse a pedido.
Las medidas están expresdas en mm.
Ver Diagrama| Variantes de este producto | Cod. |
|---|---|
| Producto sin variantes | - |
Tabla de Cálculos por Kilo para Núcleos de Ac Si GNO.
Espesor 0,5 mm | Esmaltado en ambas caras.
|
Medida carrete |
Peso de Núcleo en Kgs |
| 25,6 | 0,414 |
Accesorios acordes al presente artículo
| Altura Área Bobinado [mm] |
Cinta de |
Cinta de Papel |
Tornillo L [mm] |
Tornillo Ø 01 |
Tornillo Código 01 |
| 24,1 | 426096 | 426092 | 38 | W5/32" | 601062 |
Tipos de Embalajes Aptos para Transporte s/Normas
| Caja P81 [AxBxH] 50x35x35 cms Vol: 0,061 m3 |
Caja P82 [AxBxH] 34x31x23 cms Vol: 0,024 m3 |
Caja P83 [AxBxH] 36x27x10 cms Vol: 0,01 m3 |
Bolsa Medida variable |
Cantidad [unidades] |
Peso Neto [Kg] |
Peso Bruto [Kg] |
| X | 800 |




Whatsapp: +54 11 3065 5393

