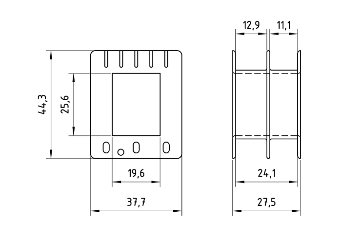
EI 75x25(19x25) C/Sep. 53/47%
El carrete, es fabricado en Polipropileno reforzado con carga mineral (PRYDE 128110).
Otros materiales ó según diseños especiales pueden fabricarse a pedido.
Las medidas están expresdas en mm.
Ver Diagrama| Variantes de este producto | Cod. |
|---|---|
| Material: PP | 128100 |
Tabla de Cálculos por Kilo para Núcleos de Ac Si GNO.
Espesor 0,5 mm | Esmaltado en ambas caras.
Medida carrete Peso 25,6 0,41
[mm]
núcleo [kg]
Accesorios acordes al presente artículo
Altura Cinta Cinta Tornillo Tornillo Tornillo 12,9 415096 415092 38 W5/32" 601062 11,1 412096 412092
Área
Bobinado
[mm]
de
Poliéster
de
Papel
L[mm]
Ø 01
Código 01
Tipos de Embalajes Aptos para Transporte s/Normas
|
Caja P81 |
Caja P82 |
Caja P83 |
Bolsa |
Cantidad |
Peso |
Peso |
|
X |
|
|
|
300 |
2,26 |
2,61 |




Whatsapp: +54 11 3065 5393

