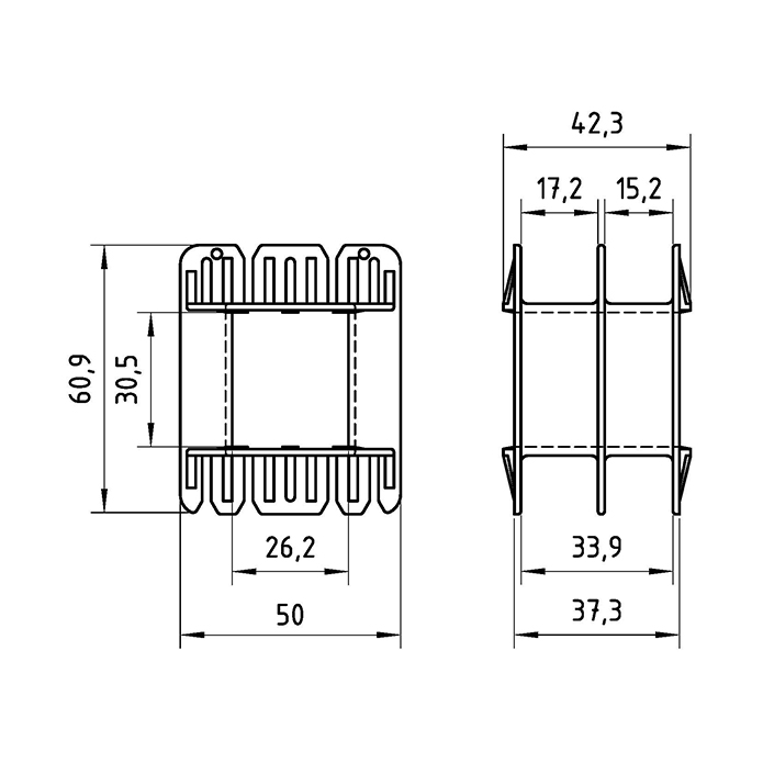
EI 111x30(26x30) C/Sep 53/47%
COD: 154110
El carrete, según las condiciones de trabajo, puede ser fabricado en Polipropileno reforzado con carga mineral (PRYDE 154110) ó con Poliamida 66 reforzada con fibra de vidrio (PRYDE 154181). Otros materiales ó según diseños especiales pueden fabricarse a pedido.
Las medidas están expresadas en mm.
| Variantes de este producto | Cod. |
|---|---|
| Material: Poliamida 6.6 + FV | 154181 |
Tabla de Cálculos por Kilo para Núcleos de Ac Si GNO.
Espesor 0,5 mm | Esmaltado en ambas caras.
|
Medida carrete |
Peso de Núcleo en Kgs |
| 30,5 | 0,884 |
Accesorios acordes al presente artículo
| Altura Área Bobinado [mm] |
Cinta de |
Cinta de Papel |
Tornillo L [mm] |
Tornillo Ø 01 |
Tornillo Código 01 |
| 17,2 | 418096 | 418092 | 44 | W5/32" | 602062 |
| 15,2 | 416096 | 418092 |
Tipos de Embalajes Aptos para Transporte s/Normas
| Caja P81 [AxBxH] 50x35x35 cms Vol: 0,061 m3 |
Caja P82 [AxBxH] 34x31x23 cms Vol: 0,024 m3 |
Caja P83 [AxBxH] 36x27x10 cms Vol: 0,01 m3 |
Bolsa Medida variable |
Cantidad [unidades] |
Peso Neto [Kg] |
Peso Bruto [Kg] |
| X | 300 | 5,58 | 6,20 |




Whatsapp: +54 11 3065 5393

