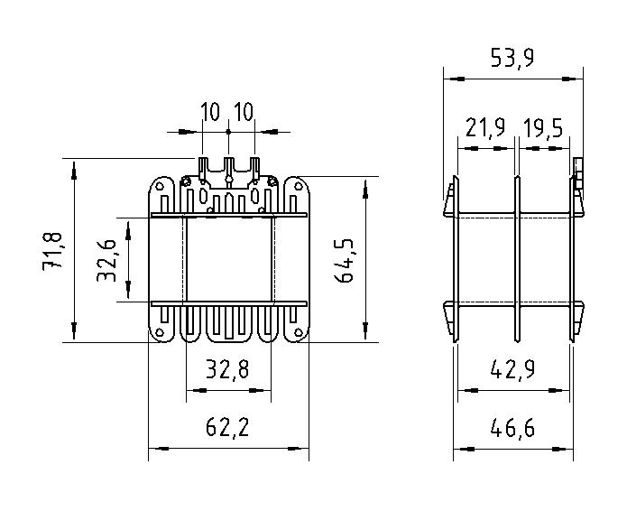
EI 125x32(32x32) C/Sep 53/47% p/Pin Ctral
COD: A143181
El carrete, es fabricado en Poliamida 66 reforzado con fibra de vidrio (PRYDE A143181). Otros materiales ó según diseños especiales pueden fabricarse a pedido.
Las medidas están expresadas en mm.
| Variantes de este producto | Cod. |
|---|---|
| Producto sin variantes | - |
Tabla de Cálculos por Kilo para Núcleos de Ac Si GNO.
Espesor 0,5 mm | Esmaltado en ambas caras.
|
Medida carrete |
Peso de Núcleo en Kgs |
| 32,6 | 1,504 |
Accesorios acordes al presente artículo
| Altura Área Bobinado [mm] |
Cinta de |
Cinta de Papel |
Tornillo L [mm] |
Tornillo Ø 01 |
Tornillo Código 01 |
Buje 01 |
Buje 01 |
|
21,9 |
422096 | 424092 | 44 | W5/32" | 602062 | W5/32" | 343021 |
| 19,5 | 421096 | 420092 |




Whatsapp: +54 11 3065 5393

