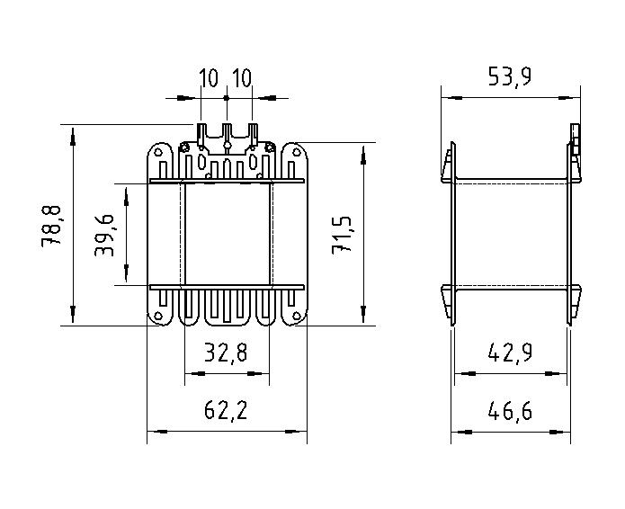
EI 125x39(32x39) p/Pin Central
COD: A139081
El carrete, es fabricado en Poliamida 66 reforzado con fibra de vidrio (PRYDE A139081). Otros materiales ó según diseños especiales pueden fabricarse a pedido.
Las medidas están expresadas en mm.
| Variantes de este producto | Cod. |
|---|---|
| Producto sin variantes | - |
Tabla de Cálculos por Kilo para Núcleos de Ac Si GNO.
Espesor 0,5 mm | Esmaltado en ambas caras.
|
Medida carrete |
Peso de Núcleo en Kgs |
| 39,6 | 1,827 |
Accesorios acordes al presente artículo
| Altura Área Bobinado [mm] |
Cinta de |
Cinta de Papel |
Tornillo L [mm] |
Tornillo Ø 01 |
Tornillo Código 01 |
Buje Ø 01 |
Buje 01 |
|
42,9 |
444096 | 446092 | 51 | W5/32" | 603062 | W5/32" | 343021 |




Whatsapp: +54 11 3065 5393

