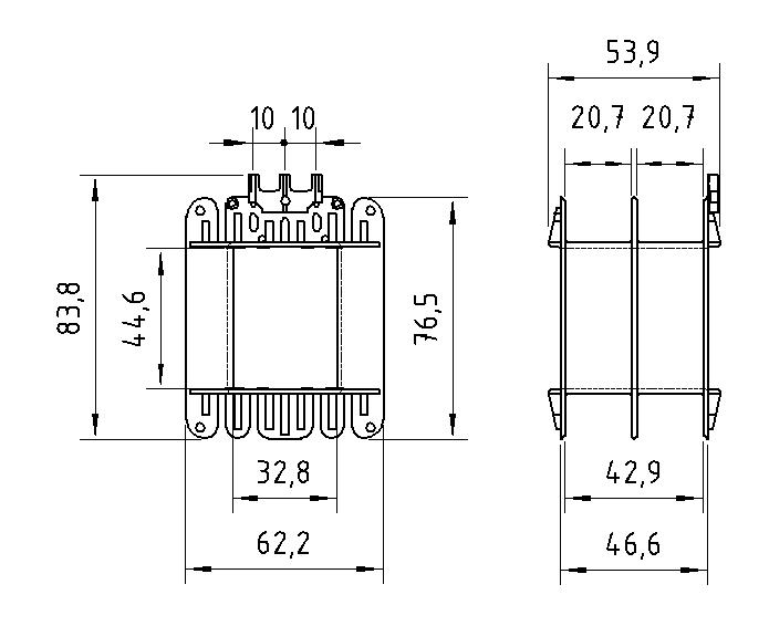
EI 125x44(32x44) C/Sep 50/50% p/pin Ctral
COD: A140981
El carrete, es fabricado en Poliamida 66 reforzado con fibra de vidrio (PRYDE A140981). Otros materiales ó según diseños especiales pueden fabricarse a pedido.
Las medidas están expresadas en mm.
Ver Diagrama| Variantes de este producto | Cod. |
|---|---|
| Producto sin variantes | - |
Tabla de Cálculos por Kilo para Núcleos de Ac Si GNO.
Espesor 0,5 mm | Esmaltado en ambas caras.
|
Medida carrete |
Peso de Núcleo en Kgs |
| 44,6 | 2,058 |
Accesorios acordes al presente artículo
| Altura Área Bobinado [mm] |
Cinta |
Cinta de Papel |
Tornillo L [mm] |
Tornillo Ø 01 |
Tornillo Código 01 |
Tornillo Ø 02 |
Tornillo Código 02 |
| 20,7 | 421096 | 421092 | 57 | W5/32" | 604062 | W3/16" | 609062 |
| 20,7 | 421096 | 421092 |
| Buje Ø 01 |
Buje |
| W5/32" | 343021 |




Whatsapp: +54 11 3065 5393

