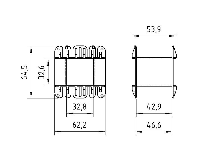
EI 125x32(32x32)
COD: 143010
El carrete, según las condiciones de trabajo, puede ser fabricado en Polipropileno reforzado con carga mineral (PRYDE 143010) ó con Poliamida 66 reforzada con fibra de vidrio (PRYDE 143081). Otros materiales ó según diseños especiales pueden fabricarse a pedido.
Las medidas están expresadas en mm.
| Variantes de este producto | Cod. |
|---|---|
| Material: Poliamida 6.6 + FV | 143081 |
Tabla de Cálculos por Kilo para Núcleos de Ac Si GNO.
Espesor 0,5 mm | Esmaltado en ambas caras.
|
Medida carrete |
Peso de Núcleo en Kgs |
| 32,6 | 1,504 |
Accesorios acordes al presente artículo
| Altura Área Bobinado [mm] |
Cinta de |
Cinta de Papel |
Tornillo L [mm] |
Tornillo Ø 01 |
Tornillo Código 01 |
Buje 01 Ø |
Buje 01 Código |
|
42,9 |
444096 | 446092 | 44 | W5/32" | 602062 | W5/32" | 343021 |
Tipos de Embalajes Aptos para Transporte s/Normas
| Caja P81 [AxBxH] 50x35x35 cms Vol: 0,061 m3 |
Caja P82 [AxBxH] 34x31x23 cms Vol: 0,024 m3 |
Caja P83 [AxBxH] 36x27x10 cms Vol: 0,01 m3 |
Bolsa Medida variable |
Cantidad [unidades] |
Peso Neto [Kg] |
Peso Bruto [Kg] |
| X | 200 | 4,50 | 5,12 |




Whatsapp: +54 11 3065 5393

