EI 125x54(32x54) C/Sep 50/50%
COD: 132910
El carrete, según las condiciones de trabajo, puede ser fabricado en Polipropileno reforzado con carga mineral (PRYDE 132910) ó con Poliamida 66 reforzada con fibra de vidrio (PRYDE 132981). Otros materiales ó según diseños especiales pueden fabricarse a pedido.
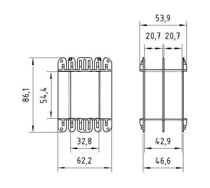
Las medidas están expresadas en mm.
Ver Diagrama
| Variantes de este producto | Cod. |
|---|---|
| Material: Poliamida 66 + FV | 132981 |
Tabla de Cálculos por Kilo para Núcleos de Ac Si GNO.
Espesor 0,5 mm | Esmaltado en ambas caras.
|
Medida carrete |
Peso de Núcleo en Kgs |
| 54,4 | 2,51 |
Accesorios acordes al presente artículo
| Altura Área Bobinado [mm] |
Cinta |
Cinta de Papel |
Tornillo L [mm] |
Tornillo Ø 01 |
Tornillo Código 01 |
Tornillo Ø 02 |
Tornillo Código 02 |
| 20,7 | 421096 | 421092 | 70 | W5/32" | 606062 | W3/16" | 621062 |
| 20,7 | 421096 | 421092 |
| Buje Ø 01 |
Buje |
| W5/32" | 343021 |
Tipos de Embalajes Aptos para Transporte s/Normas
| Caja P81 [AxBxH] 50x35x35 cms Vol: 0,061 m3 |
Caja P82 [AxBxH] 34x31x23 cms Vol: 0,024 m3 |
Caja P83 [AxBxH] 36x27x10 cms Vol: 0,01 m3 |
Bolsa Medida variable |
Cantidad [unidades] |
Peso Neto [Kg] |
Peso Bruto [Kg] |
| X | 240 |




Whatsapp: +54 11 3065 5393

