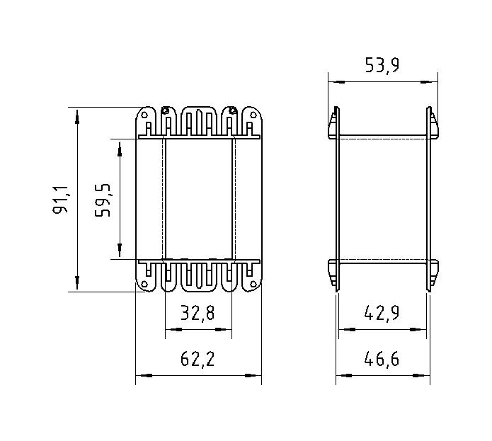
EI 125x59(32x59)
COD: 133010
El carrete, según las condiciones de trabajo, puede ser fabricado en Polipropileno reforzado con carga mineral (PRYDE 133010) ó con Poliamida 66 reforzada con fibra de vidrio (PRYDE 133081). Otros materiales ó según diseños especiales pueden fabricarse a pedido.
Las medidas están expresadas en mm.
| Variantes de este producto | Cod. |
|---|---|
| Material: Poliamida 6.6 + FV | 133081 |
Tabla de Cálculos por Kilo para Núcleos de Ac Si GNO.
Espesor 0,5 mm | Esmaltado en ambas caras.
|
Medida carrete |
Peso de Núcleo en Kgs |
| 59,5 | 2,745 |
Accesorios acordes al presente artículo
| Altura Área Bobinado [mm] |
Cinta |
Cinta de Papel |
Tornillo L [mm] |
Tornillo Ø 01 |
Tornillo Código 01 |
Tornillo Ø 02 |
Tornillo Código 02 |
| 42,9 | 444096 | 446092 | 70 | W5/32" | 606062 | W3/16" | 621062 |
| Buje 01 Ø |
Buje |
| W5/32" | 343021 |
Tipos de Embalajes Aptos para Transporte s/Normas
| Caja P81 [AxBxH] 50x35x35 cms Vol: 0,061 m3 |
Caja P82 [AxBxH] 34x31x23 cms Vol: 0,024 m3 |
Caja P83 [AxBxH] 36x27x10 cms Vol: 0,01 m3 |
Bolsa Medida variable |
Cantidad [unidades] |
Peso Neto [Kg] |
Peso Bruto [Kg] |
| X | 216 | 6,37 | 6,99 |




Whatsapp: +54 11 3065 5393

