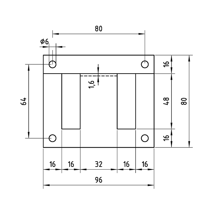
Núcleo Monofásico EI Lam. 125
COD: MON125
Los Núcleos laminados se fabrican a partir de chapa de acero al Si para usos Eléctricos,
ya sea en grano orientado (GO) ó no orientado (GNO).
Las caracteristicas sobresalientes de los materiales disponibles son:
- Tipo material : Acero al Silicio de grano no orientado (GNO)
- Cód. PRYDE : MON125
- Espesor : 0,5 mm
- Recubrimiento : Esmaltado en ambas caras
- Pérdidas : 1,8-2,2 W/kg
- Tipo material : Acero al Silicio de grano orientado (GO)
- Cód. PRYDE : MON125/GO
- Espesor : 0,27 mm
- Recubrimiento : Esmaltado en ambas caras
- Pérdidas : 0,77-0,85 W/kg
| Variantes de este producto | Cod. |
|---|---|
| Núcleo MonoEI Lam.125 AcSi GO | MON125/GO |
| Núcleo MonoEI Lam.125 C/Entre | MON125/1 |




Whatsapp: +54 11 3065 5393

