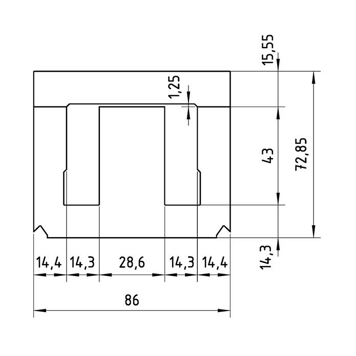
Núcleo Monofásico EI 112 p/balasto 01
COD: MON112/B1
Los Núcleos laminados se fabrican a partir de chapa de acero al Si para uso Eléctricos.
Las caracteristicas sobresalientes del material utilizado son:
- Tipo material : Acero al Silicio de grano no orientado (GNO)
- Espesor : 0,5 mm
- Recubrimiento : Esmaltado en ambas caras
- Pérdidas < 2W/Kg
- Entrehierro: 1,25 mm.
| Variantes de este producto | Cod. |
|---|---|
| Producto sin variantes | - |




Whatsapp: +54 11 3065 5393

