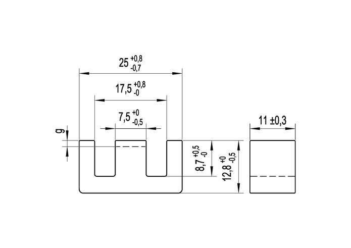
Ferrite Nucleo E 25/13/11
COD: E251311
Los valores expresados debajo, corresponden a un set de dos piezas sin gap. Sin embargo los ferrites tipo E, son suministrados por unidad.
le [Longitud de la Trayectoria Magnética] = 57,5 mm
Ae [Sección Transversal Magnética Efectiva] = 84,7 mm2
Amin [Sección de Conductor Mínimo] = 79,7 mm2
Ve [Volumen Magnético Efectivo] = 4870 mm3
Peso = 22,7 g/set
Material : CF139
Al [nH] [Factor de Inductancia] = 2100 ±20% (1,0 mT; 1,0 Khz; 25°C)
Bmax [mT] [Densidad de Flujo ] > (250 A/m; 16 Khz; 100°C)
Pv [W/set] [Pérdida de potencia] ≤ 0,49 (100 mT; 100 Khz; 100°C)
-Ver Plano en Solapa-
El núcleo puede suministrarse con diferentes valores de gap.
Por favor consulte por valores disponibles.
Ver Diagrama| Variantes de este producto | Cod. |
|---|---|
| GAP 0,50mm | EF251311/050 |




Whatsapp: +54 11 3065 5393

