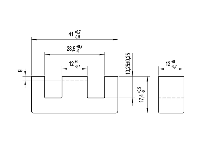
Ferrite Núcleo E 40/16/12
COD: E401612
Los valores expresados debajo, corresponden a un set de dos piezas sin gap. Sin embargo los ferrites tipo E, son suministrados por unidad.
le [Longitud de la Trayectoria Magnética] = 79,0 mm
Ae [Sección Transversal Magnética Efectiva] = 153,0 mm2
Amin [Sección de Conductor Mínimo] = 136,8 mm2
Ve [Volumen Magnético Efectivo] = 12100 mm3
Peso = 60,0 g/set
Material : CF139
Al [nH] [Factor de Inductancia] = 4000 +30%/-20% (1,0 mT; 1,0 Khz; 25°C)
Bmax [mT] [Densidad de Flujo ] > (250 A/m; 16 Khz; 100°C)
Pv [W/set] [Pérdida de potencia] ≤ 1,21(100 mT; 100 Khz; 100°C)
-Ver Plano en Solapa-
El núcleo puede suministrarse con diferentes valores de gap.
Por favor consulte por valores disponibles.
Ver Diagrama| Variantes de este producto | Cod. |
|---|---|
| GAP 0,50mm | E401612/050 |




Whatsapp: +54 11 3065 5393

