Ferrite Núcleo EEL 16/05
COD: EEL1605
Los valores expresados debajo, corresponden a un set de dos piezas sin gap. Sin embargo los ferrites tipo E, son suministrados por unidad.
le [Longitud de la Trayectoria Magnética] = 55,6 mm
Ae [Sección Transversal Magnética Efectiva] = 19,3 mm2
Amin [Sección de Conductor Mínimo] = 18,7 mm2
Ve [Volumen Magnético Efectivo] = 1075,0 mm3
Peso = 5,5 g/set
Material : CF295
Al [nH] [Factor de Inductancia] = 1050,0+30%/-20% (1,0 mT; 1,0 Khz; 25°C)
Bmax [mT] [Densidad de Flujo ] > (250 A/m; 16 Khz; 100°C)
Pv [W/set] [Pérdida de Potencia] ≤ 0,10 (100 mT; 100 Khz; 100°C)
Pv [W/set] [Pérdida de Potencia] ≤ 0,10 (100 mT; 100 Khz; 100°C)
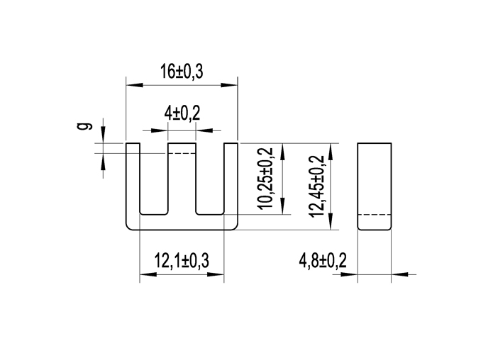
-Ver Plano en Solapa-
El núcleo puede suministrarse con diferentes valores de gap.
Por favor consulte por valores disponibles.
| Variantes de este producto | Cod. |
|---|




Whatsapp: +54 11 3065 5393

