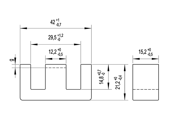
Ferrite Núcleo E 42/21/15
COD: E422115
Los valores expresados debajo, corresponden a un set de dos piezas sin gap. Sin embargo los ferrites tipo E, son suministrados por unidad.
le [Longitud de la Trayectoria Magnética] = 97,0 mm
Ae [Sección Transversal Magnética Efectiva] = 181,0 mm2
Amin [Sección de Conductor Mínimo] = 175 mm2
Ve [Volumen Magnético Efectivo] = 17600 mm3
Peso = 84,0 g/set
Material : CF139
Al [nH] [Factor de Inductancia] = 4100 +30%/-20% (1,0 mT; 1,0 Khz; 25°C)
B [mT] [Densidad de Flujo Remanente] = (250 A/m; 16 Khz; 100°C)
P [W/set] [Pérdida de Potencia] ≤ 1,76 (100,0 mT; 100 Khz; 100°C)
El núcleo puede suministrarse con diferentes valores de gap.
Por favor consulte por valores disponibles.
- Ver plano en Solapa -
Ver Diagrama| Variantes de este producto | Cod. |
|---|---|
| GAP 0,50mm | E422115/05 |




Whatsapp: +54 11 3065 5393

