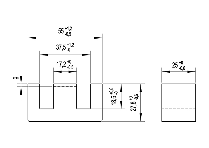
Ferrite Núcleo E 55/28/25
Los valores expresados debajo, corresponden a un set de dos piezas sin gap. Sin embargo los ferrites tipo E, son suministrados por unidad.
Ʃ l/A [Factor de Forma Magnética] = 0,295 mm-1
le [Longitud de la Trayectoria Magnética] = 124 mm
Ae [Sección Transversal Magnética Efectiva] = 420 mm2
Amin [Sección de Conductor Mínimo] = 417 mm2
Ve [Volumen Magnético Efectivo] = 51860 mm3
Peso = 250,0 g/set
Material : Mf102
Al [nH] [Factor de Inductancia] = 7100±25% (0,25 mT; 10 Khz; 25°C) -Ver Plano en Solapa-
B [mT] [Densidad de Flujo Remanente] = 320 (250 A/m; 16 Khz; 100°C)
P [W/set] [Pérdida de Potencia] = 28,0 (200 mT; 100 Khz; 100°C)
El núcleo puede suministrarse con diferentes valores de gap.
Por favor consulte por valores disponibles.
La tolerancia del gap depende de su valor ( En la sección de datos adicionales se muestra la tabla con las tolerancias correspondientes)
También se muestra la dependencia del gap y el valor Al ( factor de inductancia )
Ver Diagrama| Variantes de este producto | Cod. |
|---|---|
| Producto sin variantes | - |




Whatsapp: +54 11 3065 5393

