EI 62x23,5 (16x23,5) C/Sep 53/47% P.Esp.
COD: 308110
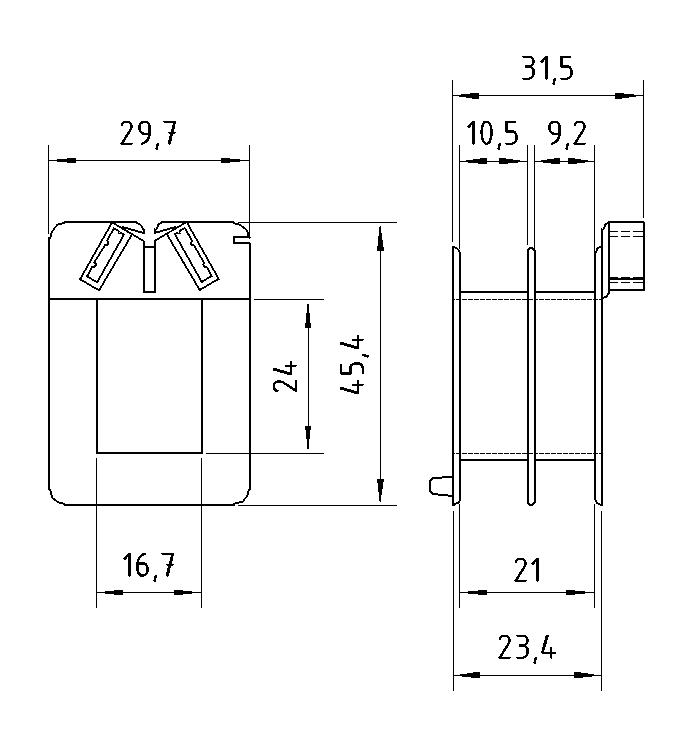
El carrete, es fabricado en Polipropileno reforzado con carga Mineral (PRYDE 308110).
Otros materiales ó según diseños especiales pueden fabricarse a pedido.
Las medidas están expresadas en mm.
Ver Diagrama| Variantes de este producto | Cod. |
|---|
Tabla de Cálculos por Kilo para Núcleos de Ac Si GNO.
Espesor 0,5 mm | Esmaltado en ambas caras.
|
Medida carrete [mm] |
Peso de Núcleo en Kgs |
| 24 | 0,282 |
Accesorios acordes al presente artículo
|
Altura Área Bobinado [mm] |
Cinta de Poliéster |
Cinta de Papel |
| 10,5 | 412096 | 412092 |
| 9,2 | 410096 | 410092 |
Tipos de Embalajes Aptos para Transporte s/Normas
| Caja P81 [AxBxH] 50x35x35 cms Vol: 0,061 m3 |
Caja P82 [AxBxH] 34x31x23 cms Vol: 0,024 m3 |
Caja P83 [AxBxH] 36x27x10 cms Vol: 0,01 m3 |
Bolsa Medida variable |
Cantidad [unidades] |
Peso Neto [Kg] |
Peso Bruto [Kg] |
| X | 1100 |





Whatsapp: +54 11 3065 5393

