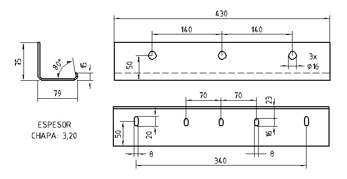
Vigueta trifásica Laminación 70
COD: U57062
Para montaje Horizontal.
Un solo modelo permite ajustar la rama suerior e inferior del núcleo trifásico EI.
Material : Chapa de acero
Recubrimiento : Zincado
Espesor : 3,20 mm
Ver Diagrama| Variantes de este producto | Cod. |
|---|---|
| Producto sin variantes | - |




Whatsapp: +54 11 3065 5393

