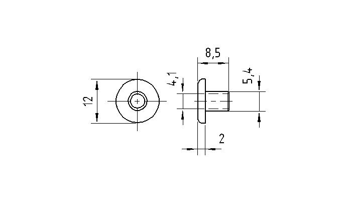
Buje Aislante p/ agujero W5/32
COD: 343021
El buje impide el contacto eléctrico entre el tornillo y el núcleo laminado. Es fabricado en Poliamida 66 color natural (PRYDE 343021).
Otros materiales ó según diseños especiales pueden fabricarse a pedido.
Ver Diagrama| Variantes de este producto | Cod. |
|---|---|
| Producto sin variantes | - |




Whatsapp: +54 11 3065 5393

